La mayoría de las cadenas se han enumerado como estándares internacionales, estándares nacionales de países desarrollados o estándares nacionales chinos, y la identificación del número de cadena de estas cadenas no es difícil de encontrar en los estándares. Sin embargo, en los intercambios comerciales internacionales, los números de cadenas de empresas de países como Estados Unidos, Japón, Alemania, Italia y Bélgica suelen ser populares, lo que deja a nuestros empresarios de cadenas perdidos e indefensos. Por lo tanto, el autor brinda alguna orientación al respecto, que puede ser ligeramente beneficiosa para quienes se dedican al comercio en cadena.
Las especificaciones y tamaños de la cadena se dividen en cuatro tipos según diferentes propósitos y funciones: cadena de transmisión, cadena transportadora, cadena de tracción y cadena especial especializada.
El 1.1 cadena de transmisión se utiliza principalmente para la transmisión de energía.
1.2 La cadena transportadora se utiliza principalmente para transportar materiales.
1.3 La cadena de tracción se utiliza principalmente para tirar y levantar cadenas.
1.4 Las cadenas especiales especializadas se utilizan principalmente para cadenas con funciones y estructuras especiales en dispositivos mecánicos especializados.
En productos similares, la serie de productos de la cadena se divide en función de la estructura básica de la cadena, que incluye la forma de los componentes, las partes y posiciones que engranan con la cadena y la relación de tamaño entre las partes.
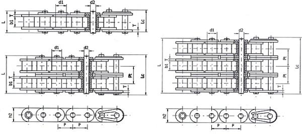
Las cadenas de la misma variedad se clasifican en diferentes especificaciones según el paso, el número de filas, el ancho de la cadena y la carga máxima de tracción.
1、 Especificaciones de la cadena con prefijo
(1) Especificaciones de la cadena de la serie RS
Placa recta cadena de rodillos R-Roller S-Straight, por ejemplo: RS40, a saber, cadena de rodillos 08A
(2) Especificaciones de la cadena de la serie RO
Cadena de rodillos de flexión R-Roller O-Offset Por ejemplo, R O60 es una cadena de flexión 12A


(3) Especificaciones de la cadena de la serie RF
Cadena de rodillos de borde recto R-Roller F-Fair Por ejemplo, RF80 es una cadena de rodillos de borde recto 16A
(4) Especificaciones de la cadena de la serie SC
Cadena dentada (cadena silenciosa) S-Silent C-Chain de ANSI B29.2M Cadena dentada y piñón estándar
Por ejemplo, cadena dentada SC3 o CL06 con un paso de 9.525
(5) Especificaciones de la cadena de la serie C
C-Transportador
Por ejemplo: C2040 o 08A cadena transportadora de doble paso C2040 SL SL Rodillo pequeño Rodillo pequeño C2060L L-Rodillo grande Rodillo grande
CA650 C-Conveyor A-Agricultura, cadena transportadora de maquinaria agrícola tipo de rodillos pequeños Tipo de rodillos pequeños Tipo de rodillos grandes


Tipo de rodillo grande
(6) Especificaciones de la cadena de la serie L
Por ejemplo, AL422 es una cadena de placa tipo A con un paso de 12.7 y una combinación de 2 × 2. La cadena estadounidense se canceló en 1975
BL546, también conocida como cadena de placas tipo B, con un paso de 15.875, combinación 4 × número de cadena de EE. UU. LH0822, también conocida como BL422, número de cadena ISO H-Heavy heavy LL1044, número de cadena ISO L-Light light light
(7) Especificaciones de la cadena de la serie M
Cadena métrica M-Medida métrica
Por ejemplo, la cadena de rodillos M20 con un ancho interior de 1530 mm tiene 7 pasos métricos.
(8) Especificaciones de la cadena de la serie W
Cadena de soldadura W-Welded
Por ejemplo, W78 es una cadena soldada con un paso de 66 mm, WH es una serie estrecha y WD es un tipo ancho.
(9) Especificaciones de la cadena de la serie Hy Vo
Hy Para trabajo pesado, Alta Velocidad Vo Involuta
(10) Especificaciones de la cadena de la serie PIV
Cadena dentada Cadena de velocidad continuamente variable
(11) Especificaciones de la cadena de la serie ST
Cadena de peldaños de escaleras mecánicas ST Cadena de peldaños, por ejemplo: 131, a saber, cadena de rodillos de paso 131.33
(12) Especificaciones de la cadena de la serie PT
P-Cadena T-Step para pasajeros
(13) Especificaciones de la cadena de la serie MR
Cadena de rodillos de hierro maleable
(14) Especificaciones de la cadena de la serie TOP
Cadenas con parte superior plana, tales como:
Tipo TT, TT635 ordinario cadena superior plana, Fideos planos ancho 63.5 Tipo TS, cadena de rodillos de acero TS550 con parte superior plana, Fideos planos ancho 55.0
Tipo TP, la placa superior plana TP762 es de resina de poliformaldehído, la cadena base es una cadena doblada, el ancho de los fideos planos es de 76.2 tipo TTup, la placa de techo TTup1143 es de resina de poliformaldehído, el eje del pasador es de acero inoxidable, el ancho de los fideos planos es de 114.3 tipo TNu, el techo de resina de poliformaldehído TNu826 plato, ancho de fideos planos es 82.6
(15) Especificaciones de la cadena de la serie Super
Super cadena, como Super80, es una cadena de rodillos 16A con excelente fuerza, resistencia al desgaste y fatiga
(16) Especificaciones de la cadena de la serie EE. UU.
EE. UU. Ultra Súper
Por ejemplo, la US100 es una súper cadena de rodillos 20A con una velocidad de pendiente de más de 50 metros/minuto.
2, Especificaciones de la cadena con sufijo
(1) Especificaciones de la cadena de la serie H
Cadena de rodillos de servicio pesado H-Heavy, por ejemplo: CSBH, es decir, cadena de refuerzo 08B
(2) Especificaciones de la cadena de la serie HP
Cadena de pasador hueco H-Pasador en P hueco, por ejemplo: 40HP, 08A cadena de rodillos de pasador hueco
(3) Especificaciones de la cadena de la serie SS
Cadena de acero inoxidable S1 Acero inoxidable S2 Acero, por ejemplo: cadena de rodillos de acero inoxidable 60SS, 12A
(4) Especificaciones de la cadena de la serie NP
Cadena niquelada N-Nickel P-Piated, por ejemplo: cadena de rodillos 80NP, 16A galvanizada 05B
(5) Especificaciones de la cadena de la serie ZP
Cadena galvanizada Z-Zinc P-Plated, por ejemplo: 05BZP, cadena de rodillos galvanizada 05B
(6) Especificaciones de la cadena de la serie SB
lazo B del lado S; También significa cadena de manga de metalurgia de polvo S-buje B sinterizado, por ejemplo: 10A-ISB significa cadena de rodillos de flexión lateral de una hilera 10A, 40SB significa cadena autolubricante 08A
(7) Especificaciones de la cadena de la serie CU
Igual que la serie SB, CU curvada, por ejemplo: 50CU, 10A cadena de rodillos de flexión lateral
(8) Especificaciones de la cadena de la serie C
Cadena de rodillos con chaveta conectada C-Cotter
Por ejemplo, 2040C, es decir, la cadena de rodillos impulsores de doble paso 08A, está enlazada con un pasador de chaveta
(9) Especificaciones de la cadena de la serie R
Cadena de rodillos con conexión de anillo de cabeza de remache R-Riveted
Por ejemplo, la 2060R es una cadena de rodillos de doble paso 12A. En los eslabones se utilizan pasadores de chaveta o circlips, y el resto se remacha.
(10) Especificaciones de la cadena de la serie MO
M-Cadena de anillo OO libre de mantenimiento
Por ejemplo, cadena de motocicleta con anillo de sellado tipo 428MO o 4280
(11) Especificaciones de la cadena de la serie W Cadena de doble velocidad
C2050W, también conocida como cadena transportadora de doble velocidad y doble paso 10A, está numerada por KANA en Japón
(12) Especificaciones de la cadena de la serie WR
Cadena WR-Wrench, por ejemplo: 50WR con un paso de 15.875
3、 Especificaciones de la cadena con pinyin chino
(1) Especificaciones de la cadena de la serie BS
Cadena doble velocidad B - Bei S - Su
Por ejemplo: BS25-- C210A, es decir, C2050W, cadena de doble velocidad de doble paso 10A


(2) Especificaciones de la cadena de la serie LT
Cadena de garaje vertical L - Li T - Ti
Por ejemplo, 16ALT-2, también conocida como cadena de garaje tridimensional de doble fila 16A
GIDI CHAIN LIMITED suministrar muchos cadena de rodillos, cadena transportadora, Cadena de la hoja, cadena soldada, cadena forjada, Cadena de molino de aceite de palma, Cadena de elevación,Cadena de minas y metalurgia, etc. totalizando sobre variedades 3000. y 90% de las cadenas se exportan a todo el mundo, que exportan principalmente al sudeste de Asia, Europa, América del Norte y América del Sur. Las cadenas son bienvenidas por los clientes con la excelente calidad. Nuestra empresa posee más de 100 conjuntos de equipos de fabricación avanzados y profesionales. El sistema de control de calidad perfecto y riguroso se implementa en todos los procesos, desde la compra de materiales hasta el embalaje de productos terminados. Además, hemos aprobado la certificación ISO9001: 2015 Quality Management System.
Mas detalle : www.gidi-chain.com