Cadena de adoquines utilizados para la industria de mezclado de asfalto y tendido de carreteras están hechos de materiales de alta calidad con tecnologías modernas. Cada eslabón del proceso de producción es monitoreado de cerca por el sistema de garantía de calidad de la planta.Hoy en día, a través de la cooperación técnica con los clientes y las innovaciones y mejoras persistentes, la alta calidad y la amplia serie de productos pueden satisfacer plenamente las demandas diversificadas de mezcla de asfalto y tendido de carreteras. máquinas y los requisitos del cliente.
Accesorios para máquinas pavimentadoras Pavimentadora Transmisión A5188/SGR188/C1594/P80F7 para la industria de la construcción.

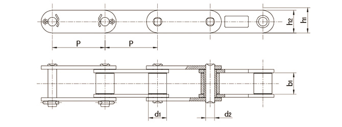
| Cadena No. | Paso P | Diámetro del rodillo d1 (max) | Ancho interior b1 (min) | Pin dia. d2 (max) | Profundidad del recorrido de la cadena h1 (máx.) | Profundidad de la placa h2 (máx.) | Máxima resistencia a la tracción Q | Peso aproximado. q |
| mm | mm | mm | mm | mm | mm | KN | kg / m | |
| A5188 | 66.27 | 28.58 | 23.80 | 12.60 | 29.50 | 28.80 | 133.50 | 6.14 |
| SGR188 | 66.27 | 22.23 | 26.50 | 11.10 | 29.50 | 28.80 | 143.00 | 6.83 |
| C1594 | 69.85 | 31.75 | 25.60 | 14.27 | 36.30 | 32.50 | 106.73 | 9.27 |

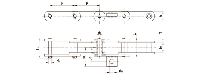
| Transmisión | Ancho interior | Pin dia. | Longitud del pasador | Espesor de la placa | Plate Hight | Dimensión interna de la placa | Resistencia a la tracción | Peso por metro | |
| P | b1 | d2 | L | T | h | a | b | Q | q |
| mm | mm | mm | mm | mm | mm | mm | mm | mm | kg / m |
| 75 | 32 | 14.27 | 54.2 | 5.6 | 36 | 34 | 14 | 100 | 7.18 |

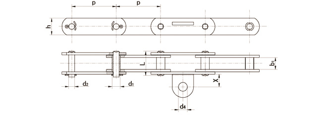
| Transmisión | Ancho entre placa interior | Bush dia. | Plate Hight | Dimensión del pin | Dimensiones del rascador | Resistencia a la tracción | Peso por metro | ||
| P | b1 | D | h | L | d2 | W | F | Q | q |
| mm | mm | mm | mm | mm | mm | mm | KN | kg / m | |
| 80 | 35 | 36 | 45 | 74.38 | 17.46 | 575 | 449 | 300 | 33 |

| P | D | b1 | d2 | L | h | T | Q |
| mm | mm | mm | mm | mm | mm | mm | KN |
| 78.1 | 31.75 | 31.75 | 15.88 | 89.65 | 38 | 15.88 | 213 |
| 78.1 | 31.75 | 31.4 | 15.88 | 89.2 | 38.1 | 15.88 | 265 |

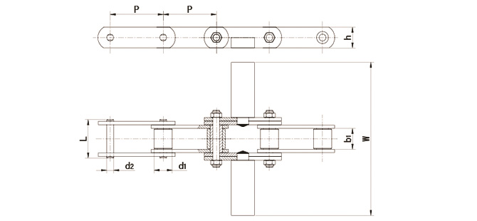
| Paso | Ancho entre placa interior | Bush dia. | Plate Hight | Dimensión del pin | Dimensiones del rascador | Resistencia a la tracción | Peso por metro | ||||
| P | b1 | d1 | h | L | Lc | d2 | a | a1 | d4 | Q | q |
| mm | mm | mm | mm | mm | mm | mm | mm | mm | mm | KN | kg / m |
| 80 | 35.8 | 26 | 45 | 72 | 77 | 15.9 | 56.9 | 81.9 | 20 | 190 | 9 |

| Paso | Ancho entre placa interior | Bush dia. | Plate Hight | Dimensión del pin | Dimensiones del rascador | Resistencia a la tracción | Peso por metro | ||||
| P | b1 | d1 | h | L | Lc | d2 | a | a1 | d4 | Q | q |
| mm | mm | mm | mm | mm | mm | mm | mm | mm | mm | KN | kg / m |
| 80 | 33.8 | 27.94 | 45 | 70.4 | 76 | 15.9 | 56.5 | 81.5 | 22 | 190 | 10 |

| Paso | Dimensión del pin | Bush dia. | Ancho entre placa interior | Profundidad de la placa interior | Dimensión de archivo adjunto | Resistencia a la tracción | Peso por metro | ||
| P | d2 | L | d1 | b1 | h | x | d4 | Q | q |
| mm | mm | mm | mm | mm | mm | mm | mm | KN | kg / m |
| 80 | 9.65 | 52 | 20 | 26 | 34 | 20 | 20 | 100 | 4.7 |

| Paso | Dimensión del pin | Bush dia. | Ancho entre placa interior | Profundidad de la placa interior | Dimensión de archivo adjunto | Resistencia a la tracción | Peso por metro | |
| P | d2 | L | d1 | b1 | h | W | Q | q |
| mm | mm | mm | mm | mm | mm | mm | KN | kg / m |
| 70 | 15.9 | 66 | 30 | 32 | 40 | 424 | 110 | 12.2 |