Cadena de rodillos de doble paso, también referido como extendido cadenas de rodillos transportadores de paso, están construidos de acuerdo con ANSI B29.4. Los productos con accesorios se usan ampliamente en aplicaciones de transportadores cuando las cargas son bajas y las velocidades son moderadas. Las variaciones disponibles incluyen rodillos de mayor diámetro y diseño de pasador hueco. Estas cadenas también se puede suministrar en acero inoxidable, niquelado o cincado (sobredimensionado cadena de rodillos puede ser acero o plásticos de ingeniería) .La especificación principal incluye C2040, C2042, C2050, C2052, C2060H, C2062H, C2080, C2082, C2080H, C2082H, etc.
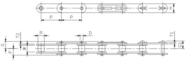
| CADENA NO. (ANSI) | Paso | Ancho | Rodillo | Placa | Pin | Normal Batalla Fortaleza kgf | Peso aproximado kg / m | |||||||
| P | W | Día | Altura | Grosor | Día | Longitudes | ||||||||
| pulgada | mm | mm | R | H1 | H2 | T1 | T2 | D | F | G | G1 | |||
| A2040 | 1" | 25.40 | 7.94 | 7.92 | 10.10 | 11.70 | 1.50 | 1.50 | 3.96 | 8.20 | 9.35 | 10.10 | 1850 | 0.40 |
| A2050 | 1-1 / 4 " | 31.75 | 9.53 | 10.16 | 12.60 | 14.60 | 2.00 | 2.00 | 5.06 | 10.10 | 11.65 | 12.60 | 3100 | 0.66 |
| A2060 | 1-1 / 2 " | 38.10 | 12.70 | 11.91 | 15.00 | 17.10 | 2.40 | 2.40 | 5.95 | 12.50 | 14.15 | 15.40 | 4400 | 0.93 |

| CADENA NO. (ANSI) | Paso | Ancho | Rodillo | Placa | Pin | Normal Batalla Fortaleza kgf | Peso aproximado kg / m | ||||||
| P | W | Día | Altura | Grosor | Día | Longitudes | |||||||
| pulgada | mm | mm | R | H | T1 | T2 | D | F | G | G1 | |||
| C2040 | 1" | 25.40 | 7.94 | 7.92 | 11.70 | 1.50 | 1.50 | 3.96 | 8.20 | 9.35 | 10.10 | 1850 | 0.49 |
| C2050 | 1-1 / 4 " | 31.75 | 9.53 | 10.16 | 14.60 | 2.00 | 2.00 | 5.06 | 10.10 | 11.65 | 12.60 | 3100 | 0.84 |
| C2060H | 1-1 / 2 " | 38.10 | 12.70 | 11.91 | 17.10 | 3.10 | 3.10 | 5.95 | 14.10 | 15.70 | 16.60 | 4400 | 1.45 |
| C2080H | 2" | 50.80 | 15.88 | 15.88 | 23.00 | 3.90 | 3.90 | 7.94 | 17.90 | . . . | 20.80 | 8000 | 2.41 |
| C2100H | 2-1 / 2 " | 63.50 | 19.05 | 19.05 | 28.90 | 4.70 | 4.70 | 9.52 | 21.70 | . . . | 24.90 | 12000 | 3.50 |
| C2120H | 3" | 76.20 | 25.40 | 22.20 | 35.00 | 5.60 | 5.60 | 11.10 | 26.98 | . . . | 30.57 | 16000 | 6.00 |
| C2160H | 4" | 101.60 | 31.75 | 28.58 | 48.00 | 7.20 | 7.20 | 14.28 | 34.15 | . . . | 38.85 | 27500 | 8.90 |
Cadena de rodillo de doble paso (rodillo de gran tamaño)
CADENA NO. | Paso | Ancho | Rodillo | Placa | Pin | Normal | Peso aproximado | ||||||
P | W | Día | Altura | Grosor | Día | Longitudes | |||||||
pulgada | mm | mm | R | H | T1 | T2 | D | F | G | G1 | |||
C2042 | 1" | 25.40 | 7.94 | 15.88 | 11.70 | 1.50 | 1.50 | 3.96 | 8.20 | 9.35 | 10.10 | 1850 | 0.86 |
C2052 | 1-1 / 4 " | 31.75 | 9.53 | 19.05 | 14.60 | 2.00 | 2.00 | 5.06 | 10.10 | 11.65 | 12.60 | 3100 | 1.32 |
C2062H | 1-1 / 2 " | 38.10 | 12.70 | 22.23 | 17.10 | 3.10 | 3.10 | 5.95 | 14.10 | 15.70 | 16.60 | 4400 | 2.17 |
C2082H | 2" | 50.80 | 15.88 | 28.58 | 23.00 | 3.90 | 3.90 | 7.94 | 17.90 | . . . | 20.80 | 8000 | 2.87 |
C2102H | 2-1 / 2 " | 63.50 | 19.05 | 39.67 | 28.90 | 4.70 | 4.70 | 9.52 | 21.70 | . . . | 24.90 | 12000 | 4.68 |
C2122H | 3" | 76.20 | 25.40 | 44.45 | 35.00 | 5.60 | 5.60 | 11.10 | 26.98 | . . . | 30.57 | 16000 | 8.00 |
C2162H | 4" | 101.60 | 31.75 | 57.15 | 48.00 | 7.20 | 7.20 | 14.28 | 34.15 | . . . | 38.85 | 27500 | 13.6 |
¿Qué es una cadena de doble paso?
En general, cadenas transportadoras Se utilizan para distancias más largas y a velocidades más bajas que las cadenas de transmisión. Por consiguiente, aunque los pasadores, bujes y rodillos se mantienen sin cambios, y el paso de la placa se duplica para reducir a la mitad el número de dientes de la rueda dentada que engranan con la cadena, el desgaste de pasadores, bujes y rodillos es mínimo debido a la baja velocidad de la cadena. Las cadenas de doble paso cumplen con la norma ANSI y las series de cadenas de máxima vida útil y resistentes al medio ambiente, al igual que las cadenas de un solo paso.
Cadena de doble paso con rodillos de resina.
Se trata de una Cadena de Doble Paso con Rodillo R fabricada en resina, que genera mucho menos ruido y menos grasa a diferencia de los rodillos de acero. Por lo tanto, la cadena es adecuada para un proceso de transporte diseñado para operar silenciosamente y transportar postes livianos. Debido a que los componentes, excepto los rodillos, están fabricados con acero, la resistencia a la tracción típica de la cadena de rodillos de resina sería la misma que la de una cadena de rodillos de acero. Sin embargo, la "carga máxima permitida" en la cadena debe mantenerse más baja, como se muestra en la siguiente tabla, para evitar que los rodillos de plástico se dañen por la presión del enganche de las ruedas dentadas.
La "Carga permitida de los rodillos de resina" se refiere a la carga permitida que actúa cuando los postes transportados presionan los rodillos de resina que viajan sobre la superficie del piso, como los rieles guía.
Rodillo masivo (R) y rodillos más pequeños (S)
Teniendo en cuenta el hecho de que las cadenas de paso doble a menudo se utilizan para transportar artículos en un piso horizontal, las cadenas diseñadas para este propósito tienen un diámetro de rodillo mayor igual al de las cadenas de paso simple en exactamente el mismo paso para mejorar la capacidad de carga y reducir la resistencia al desplazamiento. Estos rodillos con un diámetro exterior más sustancial se denominan "rodillos grandes", junto con los rodillos estándar se denominan "rodillos pequeños".
En este catálogo, los rodillos grandes se expresan como Rodillo R y los rodillos modestos como Rodillo S.
Designación de cadenas de paso doble
Una cadena de paso doble se designa, como en la siguiente ilustración, dependiendo del número nominal de la cadena de paso simple en la que realmente se basa.
Enlaces de conexión
Para eso, los eslabones de conexión de cadenas de doble paso de todos los tamaños, las placas de conexión y los pasadores de conexión están ajustados con holgura. Para C2060H o de tamaño más pequeño, el tipo de clip de resorte (eslabón de conexión R) es estándar. Para C2080H o superior, el tipo de chaveta (eslabón de conexión C) es normal. Es posible que también existan eslabones de conexión con un accesorio, un rodillo superior o un rodillo lateral.
¿Para qué se utiliza una cadena de doble paso?
Cadena de rodillos de doble paso es una opción rentable para aplicaciones más livianas, ya que está fabricada para tener el doble de paso que una cadena de rodillos estándar, lo que reduce el peso total de la cadena y el precio.
1. Las cadenas de paso doble a menudo se usan para transportar artículos en un piso horizontal, y las cadenas diseñadas para este propósito tienen un diámetro de rodillo mayor igual al de las cadenas de paso simple en exactamente el mismo paso para mejorar la capacidad de carga y reducir la resistencia al desplazamiento.
2. Las ruedas dentadas de paso doble se utilizan en sistemas transportadores que requieren una colocación precisa del producto.
3. Las cadenas de la serie de transportadores de doble paso son ideales para aplicaciones de manejo de materiales de trabajo liviano a mediano
4. Las cadenas de la serie de transportadores de doble paso son ideales para aplicaciones de manejo de materiales de trabajo liviano a mediano. Estas cadenas son similares a la cadena estándar, excepto que las placas son rectas y el paso es el doble de largo.
Las cadenas de rodillos de pasador hueco de paso doble normalmente solo están disponibles en una versión con placas rectas como una cadena de casquillo o de rodillos. Una de las principales ventajas aquí es que elpaso más largo permite la instalación de rodillos de transporte, que en muchas aplicaciones reduce significativamente la fricción y las fuerzas de tracción dentro de la cadena.
1. Los accesorios para cadenas transportadoras de un solo paso se instalan principalmente en cadenas de la serie A, que derivan en cadenas transportadoras con un paso de 12.7-50.8 y una placa de cadena en forma de "ocho". La cadena utiliza rodillos para soportar el rodamiento en la pista. Debido al pequeño diámetro de los rodillos, la capacidad de carga y la eficiencia de transmisión no son tan buenas como las de los rodillos grandes, por lo que solo es adecuado para transportadores pequeños con cargas livianas y distancias de transporte cortas. Sin embargo, la velocidad de transporte puede ser mayor, la precisión del ritmo del transporte es mejor y la estructura general es relativamente compacta.
2. Las cadenas y ruedas dentadas de doble paso para transmisión y transporte son adecuadas para transmisiones mecánicas generales o cadenas de doble paso para transporte, con un paso de 25.4-76.2 mm. La cadena de paso doble es una cadena ligera derivada de la duplicación del paso especificado por la cadena de paso corto. Como cadena transportadora, tiene tres características en estructura que una cadena de transmisión: (1) La forma de la pieza de la cadena no es una figura 8 sino que es recta (2) El extremo de la placa de la cadena tiene forma de abanico, no un semicírculo (3) El rodillo se agranda El juego de rodillos grandes tiene una alta capacidad de carga y eficiencia de transmisión.
La diferencia entre tono único Cadena de rodillos y cadena de rodillos de doble paso;
La cadena de rodillos se divide en cadenas de rodillos de paso simple y cadenas de rodillos de paso doble. La gente a menudo no conoce la diferencia entre las cadenas de rodillos de paso simple y las cadenas de rodillos de paso doble en la producción diaria. Miremos más de cerca.
1. La cadena de rodillos de transmisión estándar es una cadena de rodillos de transmisión universal basada en las especificaciones JIS y ANSI.
2. La cadena de placa es una cadena colgante compuesta de placas de cadena y ejes de pasador.
3. Las cadenas de acero inoxidable son cadenas de acero inoxidable que se pueden usar en entornos especiales como medicamentos, agua y altas temperaturas.
4. La cadena antioxidante es una cadena con una superficie niquelada.
5. La cadena de accesorios estándar es una cadena con accesorios unidos a la cadena de rodillos estándar para la transmisión.
6. Las cadenas de eje de pasador hueco son cadenas conectadas por ejes de pasador hueco, y los accesorios como ejes de pasador, varillas transversales y similares se pueden conectar o quitar libremente de acuerdo con los requisitos del cliente.
7. La cadena de rodillos de doble paso (Tipo A) es una cadena con 2 pasos de cadena de rodillos estándar basada en las especificaciones JIS y ANSI. Es una cadena de transmisión de baja velocidad con peso ligero y longitud media y es adecuada para dispositivos con gran distancia entre ejes.
8. La cadena de rodillos de doble paso (tipo C) es una cadena con 2 pasos de cadena de rodillos estándar basada en las especificaciones JIS y ANSI. Se utiliza principalmente para la transmisión y el transporte a baja velocidad. Tiene rodillos tipo S de diámetro estándar y rodillos tipo R de gran diámetro.
9. La cadena de rodillos de accesorios de paso doble es una cadena con accesorios unidos a la cadena de rodillos de paso doble, que se utiliza principalmente para el transporte.
10. La cadena de rodillos ISO-B es una cadena de rodillos basada en ISO 606-B. Gran Bretaña, Francia, Alemania y otros lugares importan más productos de este tipo.