Cadena de la máquina de grano utilizado en maquinarias de grano y aceite tienen dos estructuras, una es cadena de rodillos, y el otro es una cadena de eslabón acodada soldada. Cadenas de estas dos estructuras se pueden adaptar de manera flexible con varios accesorios, para satisfacer las necesidades diversificadas de las líneas de procesamiento y producción de granos y aceites.
Número de modelo estándar: LTF665/LTF100/LTF1100 Cadena transportadora Para máquina de grano. También tenemos nuestro propio número de modelo como se muestra a continuación: LJ665 Cadena transportadora y otras especificaciones.

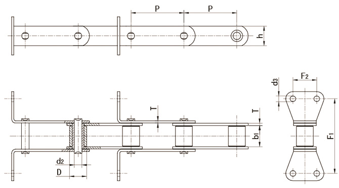
| CADENA No. | Paso | Diámetro del rodillo | Ancho entre placa interior | Pin dia. | Profundidad de la placa | Espesor de la placa | Dimensiones del raspador | Promedio de resistencia a la tracción máxima | ||
| P | D | b1 | d2 | h | T | F1 | F2 | d3 | Q | |
| mm | mm (máx.) | mm (min) | mm (máx.) | mm (máx.) | mm (máx.) | mm | mm | mm | KN | |
| LJ60 | 60 | 22.3 | 25.22 | 11.1 | 30 | 5 | 102 | 32 | 10 | 124 |
| LJ68 | 68 | 22.3 | 25.22 | 11.1 | 29 | 4.8 | 102 | 32 | 9 | 70 |
| LJ655 / 5 | 66.5 | 22.3 | 26.5 | 12 | 30 | 5 | 102 | 32 | 10 | 100 |
| LJ655 | 66.5 | 22.3 | 26.5 | 12 | 30 | 6 | 102 | 32 | 10 | 124 |
| TGSU20 / 25 | 60 | 22.3 | 26 | 12.7 | 30 | 6 | 102 | 32 | 10 | 124 |
| LJ762 | 76.2 | 22.3 | 25.22 | 11.1 | 30 | 5 | 102 | 32 | 9 | 124 |
| TGSU32 | 80 | 28 | 32 | 18 | 42 | 6 | 120 | 32 | 9.5 | 169 |

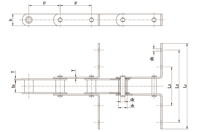
| CADENA No. | Paso | Diámetro del rodillo | Ancho entre placa interior | Pin dia. | Profundidad de la placa | Espesor de la placa | Dimensiones del raspador | Promedio de resistencia a la tracción máxima | |||
| P | d1 | b1 | d2 | h | T | L1 | L2 | L3 | d3 | Q | |
| mm | mm (máx.) | mm (min) | mm (máx.) | mm (máx.) | mm (máx.) | mm | mm | mm | mm | KN | |
| LJ66.5D | 66.5 | 22.23 | 26.5 | 12 | 30 | 6 | 6 | 102 | 14 × 9 | 124 | |
| LJ66.HC | 66.5 | 22.23 | 26.5 | 12 | 30 | 6 | 2 | 113.75 | 102 | 14 × 9 | 124 |
| TGSS20 | 66.675 | 22.23 | 26 | 12.7 | 30 | 6 | 8 | 154 | 90 | 9.5 | 124 |
| TGSS25 | 66.675 | 22.23 | 26 | 12.7 | 30 | 6 | 1 | 195 | 95 | 9.5 | 124 |
| TGSS32 | 66.675 | 22.23 | 26 | 12.7 | 30 | 6 | 95 | 195 | 95 | 9.5 | 124 |
| LF6668 | 66.68 | 22.23 | 25.22 | 11.1 | 29 | 4.8 | 60 | 136 | 80 | 7 | 124 |
| LJ68DK | 68 | 22 | 25.5 | 9.5 | 23 | 4 | 14 | 80 | 7 | 49 | |
| LJ68SK | 68 | 22.23 | 25.22 | 11.1 | 29 | 4.8 | 5.5 | 136 | 80 | 7 | 124.6 |
| TGSS40 | 125 | 32 | 50 | 19.9 | 50 | 8.0 | 285.0 | 265.0 | 155.0 | 9.5 | 222.4 |
| TGSS50 | 125 | 32 | 48 | 19.9 | 50 | 10.0 | 358.0 | 310.0 | 170.0 | 9.5 | 222.4 |
| TGSS63 | 200 | 50 | 52.0 | 23.8 | 70.0 | 10.0 | 610.0 | 510.0 | 230.0 | 11.0 | 315.0 |

| Paso P mm | Ancho interno del enlace interno b1 (min) mm | Dimensión del rodillo D (máx.) Mm | Dimensión del Pin d2 mm | Altura de la barra lateral h mm | Espesor de la barra lateral T mm | Ancho del rascador L mm | Resistencia a la tracción Q (min) KN |
| 101.6 | 31.75 | 31.75 | 15.8 | 50 | 8 | 154 | 138 |
| 152.4 | 52 | 40 | 19.1 | 60 | 8 | 188 | 158 |

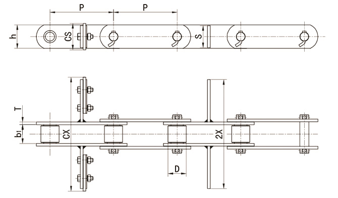
| CADENA No. | Paso P | AVG máxima resistencia a la tracción (kgf) | Peso (kg / m) | Rodillo | Ancho interno | Placa de cadena | Raspador | Raspador de plástico | |||
| R | W | h | T | 2X | S | CX | CS | ||||
| DS 03075S | 75 | 3000 | 2.1 | 15.9 | 16.1 | 22 | 3.2 | 95 | 20 | 105 | 28 |
| DS 430S | 101.6 | 5500 | 3.4 | 20.1 | 22.6 | 25.4 | 4.8 | 135 | 22 | 145 | 32 |
| DS 450S | 101.6 | 8000 | 5.0 | 22.2 | 27 | 28.6 | 6.3 | 135 | 25 | 145 | 34 |
| DS 08125S | 125 | 8000 | 5.0 | 22.2 | 27 | 28.6 | 6.3 | 185 | 25 | 195 | 34 |
| DS 10125S | 125 | 11500 | 6.8 7.3 | 29 | 30 | 38.1 | 6.3 | 185 225 | 34 | 195 235 | 47 |
| DS 10150S | 150 | 11500 | 6.9 7.2 | 29 | 30 | 38.1 | 6.3 | 250 300 | 34 | 265 315 | 47 |
| DS 6205S | 152.4 | 19000 | 10.5 | 34.9 | 37.1 | 44.5 | 7.9 | 250 | 40 | 265 | 53 |
| DS12200S | 200 | 19000 | 10.3 | 34.9 | 37.1 | 44.5 | 7.9 | 330 | 40 | 345 | 53 |
| DS 17200S | 200 | 25000 | 14.0 16.0 | 40.1 | 51.4 | 50.8 | 9.5 | 330 430 | 46 | 345 445 | 58 |
| DS 26200S | 200 | 32000 | 21.0 | 44.5 | 57.2 | 63.5 | 9.5 | 430 | 58 | 445 | 68 |